OTC M350 焊機零部件配置與電氣圖紙詳解
OTC Daihen(歐地希)M350 是 OTC 出品的一款 WB 系列焊機。本文展示 M350 焊接電源的零部件配置圖及電氣圖,供大家查看參考。

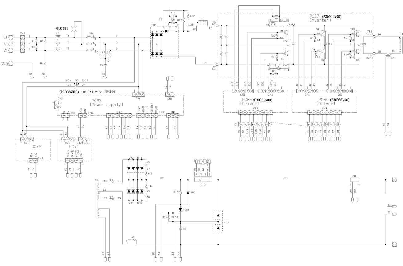
再來查看 M350 的電氣圖:



OTC Daihen(歐地希)M350 是 OTC 出品的一款 WB 系列焊機。本文展示 M350 焊接電源的零部件配置圖及電氣圖,供大家查看參考。

再來查看 M350 的電氣圖:



公 司:安徽歐杰自動化科技有限公司
聯(lián)系人:方經(jīng)理
E-mail:15305667776@163.com
地 址:安徽省合肥市望江西路502號